在电子设备和电路中,共模干扰和差模干扰是常见的问题。它们可能会对信号质量造成影响,引起数据丢失或传输干扰。了解这两种干扰的特点和影响可以协助我们更好地设计和优化电路,以提高系统性能和可靠性。
共模信号和差模信号
通常情况下,电源线包括火线(L)、零线(N)和地线(PE)。当电压和电流通过导线进行传输时,有两种形式:一种是两根导线分别作为往返线路传输,我们称之为"差模";另一种是两根导线作为去路,地线作为返回传输,我们称之为"共模"。
共模干扰信号
共模干扰信号的电流可能不完全相等,但它们具有相同的方向(相位)。在电气设备与外部的干扰中,共模干扰占主导地位。外来的干扰也主要表现为共模干扰。尽管共模干扰本身通常不会对设备造成危害,但一旦共模干扰转变为差模干扰,干扰情况就变得严重了,因为所有有用的信号都是差模信号。
差模干扰信号
差模干扰信号的电流大小相等,但方向(相位)相反。由于线路的分布电容、电感、信号走线阻抗的不连续性以及意外路径上的信号回流,差模电流会转化为共模电流。
共模干扰与差模干扰
无论何种类型的干扰都可以用共模干扰和差模干扰来表示。
1.共模干扰是两个幅度相同,相位相同的信号。共模干扰发生在导线与地(机壳)之间的传输过程中,属于非对称性干扰。它指的是任何载流导体与参考地之间不希望存在的电位差。

2.差模干扰是两个幅度相同,方向相反的信号。差模干扰发生在两个导线之间的传输过程中,属于对称性干扰。它指的是任何两个载流导体之间不希望存在的电位差。

一般情况下,共模干扰的幅度较大、频率较高,并且可能通过导线产生辐射,从而引起较大的干扰。而差模干扰的幅度较小、频率较低,因此造成的干扰较小。
共模干扰产生的原因
1.电网引入共模干扰电压。
2.辐射干扰(如雷电、设备电弧、附近电台、高功率辐射源)在信号线上感应出共模干扰。这是因为交变的磁场会产生交变的电流,而地线-零线回路的面积与地线-火线回路的面积不同,两个回路的阻抗也不同,导致电流大小不同。
3.接地电压的差异,简单来说,即电位差引起了共模干扰。
4.设备内部线路对电源线造成的共模干扰。
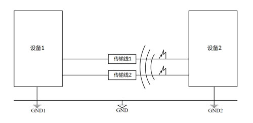
电源或者信号在传输过程中一般有三种可能会产生共模干扰。
1.外界电磁场在传输线1和传输线2上同时感应出电压,由此感应电压产生感应电流并在传输线上传播。

2.设备1和设备2的接地点GND1和GND2电位不相同,导致实际的两个设备之间存在压差,从而产生感应电流在两根传输线上传播。

3.传输线1和传输线2与图1中GND也就是大地存在电位差,也就是两个导线做去路,地线做来路,这样电缆上同样也会存在共模电流。

共模干扰电流
共模干扰通常以共模干扰电流的形式存在。一般情况下,共模干扰电流产生有三个原因:
1.外部电磁场在电路走线中感应出电压(该电压相对于地是等幅且同相的),由此产生的电流。
2.由于电路走线两端的器件接地电位不同,在这种接地电位差的驱动下产生的电流。
3.器件上的电路走线与大地之间存在电位差,从而在电路走线上产生共模干扰电流。
注意事项
1.如果电路走线上存在共模干扰电流,会导致电磁辐射增强,对电子和电气产品的元器件产生电磁干扰,从而影响产品的性能指标。
2.当电路不平衡时,共模干扰电流会转化为差模干扰电流,进而直接影响电路的干扰情况。对于电子和电气产品中的信号线和回路而言,差模干扰电流在电路中的导线环路上流动时,会引起差模干扰辐射。这种环路可以看作是一个小型天线,能够向空间辐射磁场,或者接收磁场。
3.共模干扰主要集中在1MHz以上。这是因为共模干扰是通过空间感应到电缆上的,而这种感应只有在较高频率下才容易发生。不过也有一种例外情况,当电缆从强磁场辐射源(例如开关电源)旁经过时,也可能感应到较低频率的共模干扰。
如何抑制共模干扰
通常采用以下方法减小共模干扰的影响:
1.屏蔽和绝缘:使用屏蔽电缆或屏蔽盒,以阻止外部干扰信号进入信号线或电路。
2.差分信号:使用差分信号传输,其中信号由两个相对的信号线组成,共模干扰信号会在两个线上产生相同的影响,从而在接收端可以被抵消。
3.地线设计:优化地线和接地系统,以减小地线噪声和共模干扰。
4.滤波器:使用共模电感来去除共模干扰信号,通常是在接收端或信号处理器中使用。
如何抑制差模干扰
1.使用差模电感:差模电感是通过将两个同向匝数相同的线圈按照特定规则绕制而成的。差模电感的理论特性是在差模电流下表现出高阻抗,而在共模电流下则表现为零阻抗。在电路中,差模电感的主要功能是消除电路中的差模信号。
2.使用差模电容:电容的阻抗随频率变化特性是Z = 1/(2πfC),可见差模干扰的频率越高,电容对其的阻抗越低。我们可以利用这个特性将差模干扰旁路掉。